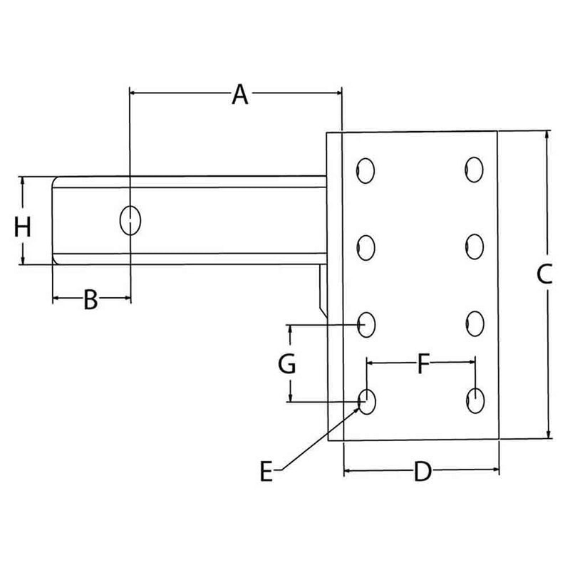
<p>Converts receivers for use with pintle-type trailers, quickly & easily. *Fits Reese Titan 2-1/2" receivers. <br><br>Plate size measures 7-1/4" tall x 5" wide. 8-1/2" shank length (measured from the face of plate to the center of the pin hole). Utilizes the standard 1-3/4" x 3-3/8" bolt hole configuration with 9/16" holes. <br><br>A 18,000 lb. gross trailer weight rating with a 2,000 lb. tongue weight limit. <br><br><strong>* Per fielded reports from the manufacturer, this part will not work with Ford OEM factory installed trailer hitches.</strong></p>
<ul>
<li>Provides mounting for both ball and pintle and rigid type pintle hooks</li>
<li>Pin and clip sold separately</li>
<li>Can be used in the rise position</li>
<li>Pintle mount and hardware sold separately</li>
</ul>
Seller return policy
If you return a product that qualified for free shipping, the outbound shipping costs will be deducted from your return refund. You may return the item within 90 days from the date your order was received for a refund. We cannot exchange items. Please place a new order online for the replacement item(s). No claims for shortages or damages will be honored unless reported within 10 business days from the date of delivery.

