Solid shank pintle hook mounting plate for 2 inch receivers. See specifications below.
The 10 ton pintle hook is equipped with a tethered pin. 20,000 lbs gross trailer weight rating / 4,000 lbs tongue weight rating.
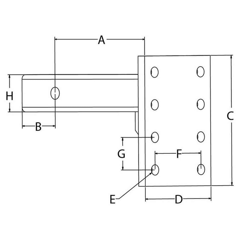
Also included are four grade 8 bolts, nuts and washers to attach the pintle hook to the mounting plate and a 5/8 inch diameter pin and clip for mounting the assembly in any 2 inch receiver.
- Converts 2 inch receivers for use with Pintle-Type trailers, quickly and easily
- Provides mounting for both ball and pintle or rigid type Pintle Hooks
- Pintle mount - black powder coat finish / Pintle hook - black painted finish
- Pintle hook has the standard bolt hole configuration - 1-3/4 inch x 3-3/8 inch
- Drop forged construction
- All products in this assembly are Made in U.S.A.
Seller return policy
If you return a product that qualified for free shipping, the outbound shipping costs will be deducted from your return refund. You may return the item within 90 days from the date your order was received for a refund. We cannot exchange items. Please place a new order online for the replacement item(s). No claims for shortages or damages will be honored unless reported within 10 business days from the date of delivery.

