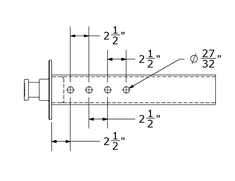
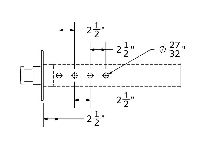
Converts a gooseneck style trailer to kingpin for use with a fifth wheel hitch. Simply remove the trailer's gooseneck coupler, slide in the kingpin adapter and adjust the height. Constructed of 4 inch square, 1/4 inch wall tubing, 22 inch long with 8 inch diameter bolster plate. Rated 30,000 maximum gross trailer weight. Pipe may be drilled to pin adapter in place. Do not drill through seams in pipe. Made In U.S.A.
- 2 inch kingpin fits most standard RV fifth wheels
- 4 inch square tube, 22 inch long
Seller return policy
If you return a product that qualified for free shipping, the outbound shipping costs will be deducted from your return refund. You may return the item within 90 days from the date your order was received for a refund. We cannot exchange items. Please place a new order online for the replacement item(s). No claims for shortages or damages will be honored unless reported within 10 business days from the date of delivery.

